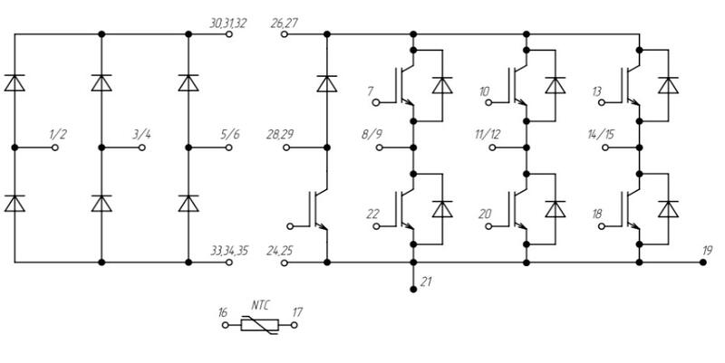
IGBT модули
IGBT MIRA-IRB12LA-75N
IGBT модули
| UCES [В]: | 1200 |
| ICnom [A]: | 75 |
| Технология кристалла: | Trench-FS |
| Конфигурация: | Инвертор, выпрямитель, тормозной чоппер |
| Исполнение: | Промышленное |
| Корпус (ширина/длина) [мм]: |
MIRA (62/122) |
| Подтверждение производства на территории РФ (719ПП): | Внесен в реестр |
- Документы и сертификаты
- Информационный лист IGBT MIRA-IRB12LA-75N
- Описание
Низкоиндуктивный IGBT модуль MIRA-IRB12LA-75N с высотой корпуса 17 мм. IGBT модуль с блокирующем напряжением 1200В и током 50А. Прибор имеет медное основание, улучшенную стойкость к термоциклам, встроенный датчик температуры.
- Где применяются
Низкоиндуктивный IGBT модуль MIRA-IRB12LA-75N разработан для использования в приводах двигателей переменного тока, инверторах и источниках питания.




